ГлавнаяРегистрацияВход Мой сайт
Понедельник, 13.10.2025, 10:14
Форма входа
[ Новые сообщения · Участники · Правила форума · Поиск · RSS ]
Тестатика
s_chechelДата: Понедельник, 07.02.2011, 21:52 | Сообщение # 76
Группа: Удаленные





Еще TIP отписался, что с одной ВВ в другую искра не сильно лезет. Понадеялся на то, что промежуток в трамплере небольшой или в крайнем случае его можно подогнуть. После удара в катушку должны возникнуть затухающие колебания, что через НВ катушку уйдет в нагрузку и наведет ЭДС в соседних. Таким образом при ударе в следующую она будет не до конца разряженна. Остается настроить трамплер в резонанс этим колебаниям. На выходе переменка. Это теория под которую готовилась схема.
Что имелось ввиду под открытой системы в закрытую? ВВ обмотка общим проводом соединена со всеми ВВ внешних. Коммутация искры происходит трамплером. Для переменного напряжение, менял начало ВВ катушек.
 
МаксДата: Понедельник, 07.02.2011, 22:09 | Сообщение # 77
Группа: Удаленные





а то что система нв включения получается замкнутая у тебя закрытая тоесть.
а вобще написал всё правильно резонанс нужен хаббард говорил что не все системы запускались нормально . иной раз запускать не удавалось неделями...


Сообщение отредактировал Макс - Понедельник, 07.02.2011, 22:18
 
s_chechelДата: Понедельник, 07.02.2011, 22:21 | Сообщение # 78
Группа: Удаленные





Озадачил.
Для того что бы ток пошел в нагрузку нужна замкнутая система. По другому движение тока не получается. Или НВ не для нагрузки? Их можно еще параллельно включить.
 
МаксДата: Понедельник, 07.02.2011, 22:41 | Сообщение # 79
Группа: Удаленные





ну плин ты что никогда не видел катушки зажигания что спрашиваешь?
тебе яж сказал в системе нехватает одной точки соединения...


Сообщение отредактировал Макс - Понедельник, 07.02.2011, 22:42
 
s_chechelДата: Понедельник, 07.02.2011, 22:52 | Сообщение # 80
Группа: Удаленные





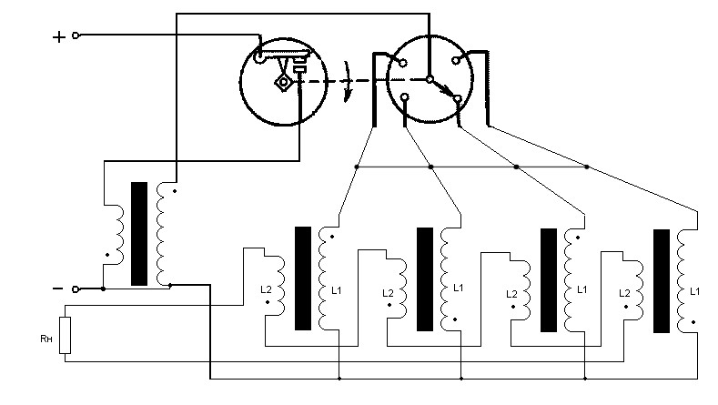
В катушке зажигания НВ и ВВ соединены последовательно. Внешние расцеплены. Центральная стандартная. Единственное что точку соединения центральной ВВ плохо нарисовал.
Прикрепления: 9154466.gif (8.9 Kb)
 
МаксДата: Вторник, 08.02.2011, 00:12 | Сообщение # 81
Группа: Удаленные





s_chechel короче добейся резонанса внешних используя искру внутренней катушки можешь проверить свои ращёты в проге имитирующей данную схему ... также пробуй и то что я говорил про смену полярностей smile (подсказка)

Сообщение отредактировал Макс - Вторник, 08.02.2011, 00:14
 
CarnДата: Вторник, 08.02.2011, 07:41 | Сообщение # 82
Группа: Удаленные





По идее, тут соединение выхода с трамблера должно быть такое

либо такое

А вообще, я уже на Скифе кидал этот патент

Прикрепления: 7135653.jpg (48.0 Kb) · 2145720.jpg (48.0 Kb) · SU_99476.doc (196.0 Kb)


Сообщение отредактировал Carn - Вторник, 08.02.2011, 07:46
 
s_chechelДата: Вторник, 08.02.2011, 12:01 | Сообщение # 83
Группа: Удаленные





Quote (Макс)
также пробуй и то что я говорил про смену полярностей (подсказка)

Смену полярности вроде реализовал на внешних ВВ катушках. Или не это имелось ввиду. Просто больше не вижу куда переполюсовку еще можно приделать. Ну разве что еще на центральную, для раскачки и большей искры, но для этого можно добавить удлинитель искры.
 
МаксДата: Вторник, 08.02.2011, 15:39 | Сообщение # 84
Группа: Удаленные





ну что савсем не можешь ничего?...
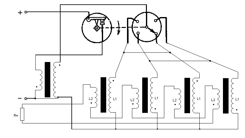
короче пронумеруй каждое соединение в первом своём чертеже... Прикрепления: 3681198.gif(9Kb) каждую точку если так не понимаешь то будем в шахматы играть (а1 на б12 и тд.) да ещё пометь север юг на кернах или просто добейся чтоб север юг на втором и 4том керне в момент искры были другими нежели на 1 и 3


Сообщение отредактировал Макс - Вторник, 08.02.2011, 15:45
 
s_chechelДата: Вторник, 08.02.2011, 15:58 | Сообщение # 85
Группа: Удаленные





Цыфрами отметил точки соединения. Буквами - пересечение. Еще раз просмотрел схему - не вижу разрыва. unsure

Добавлено (08.02.2011, 15:58)
---------------------------------------------

Quote (Макс)
да ещё пометь север юг на кернах или просто добейся чтоб север юг на втором и 4том керне в момент искры были другими нежели на 1 и 3

Для этого я поставил точки возле каждой катушки. Они обозначают начало катушки. Какраз так и чередуются 1-3 и 2-4 на ВВ.
Прикрепления: 0401976.gif (9.2 Kb)


Сообщение отредактировал s_chechel - Вторник, 08.02.2011, 17:40
 
МаксДата: Вторник, 08.02.2011, 17:50 | Сообщение # 86
Группа: Удаленные





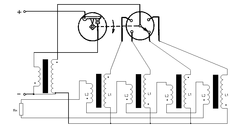
делай схему теперь и добейся резонанса и глянь в теме магнето что я сказал про рисунок с толстым керном...
 
s_chechelДата: Вторник, 08.02.2011, 18:01 | Сообщение # 87
Группа: Удаленные






Quote (Макс)
этот вариант больше подходит для хабарда тестатика только в место спирали 2 намотки как у катушки зажигания и естественно сверху распределитель искрового разряда на переферию....

Добавлено (08.02.2011, 18:01)
---------------------------------------------
Нужно еще подумать как можно избавиться от трамплера, и прицепить электронное управление. Пока в голове крутится принцип работы ламп вспышек.

 
МаксДата: Воскресенье, 13.02.2011, 19:47 | Сообщение # 88
Группа: Удаленные





при достаточной искре, на керне есть слабое магнитное поле его можно использовать для вращения стрелки.
 
s_chechelДата: Вторник, 22.02.2011, 11:29 | Сообщение # 89
Группа: Удаленные





Quote (Макс)
при достаточной искре, на керне есть слабое магнитное поле его можно использовать для вращения стрелки.

Тогда прийдется менять полярность не на ВВ обмотках, а на НВ. Тк с каждой катушкой у нас меняется полярность. Если конечно на стрелке использовать магнит.
 
JuryДата: Суббота, 12.03.2011, 07:22 | Сообщение # 90
Группа: Удаленные





Привет Всем !
Пробуем создать Хаббард-Тестатик. Пока устройство в процессе сброки - наладки. О всех испытаниях будем сообщать и советоваться с форумом. Вот ссылки на видео:
http://turbobit.net/t6f25p8r751y.html (MPEG-4 5MB)
http://turbobit.net/lzfeiqgxzdtj.html (AVI 50 MB)
Видео одно и тоже, просто в разных форматах. Качество плохое (снято мобильником).
 
Поиск:


  Copyright MyCorp © 2025
Создать бесплатный сайт с uCoz