|
Хаббард и электроника.
|
|
| Старик | Дата: Вторник, 18.02.2025, 18:14 | Сообщение # 316 |
|
Рядовой
Группа: Пользователи
Сообщений: 17
Статус: Не в сети
| Как ты вставляешь картинки? У меня только так получается .
|
| |
|
|
| s_chechel | Дата: Вторник, 18.02.2025, 21:46 | Сообщение # 317 |
|
Генерал-майор
Группа: Модераторы
Сообщений: 248
Статус: Не в сети
| Когда добавляешь картинку, у тебя появляется надпись возле нее "вставить в редактор".
 Вот где стоит курсор, там она и добавится.
|
| |
|
|
| Старик | Дата: Среда, 19.02.2025, 11:09 | Сообщение # 318 |
|
Рядовой
Группа: Пользователи
Сообщений: 17
Статус: Не в сети
| Спасибо!
|
| |
|
|
| Toros | Дата: Понедельник, 03.03.2025, 19:52 | Сообщение # 319 |
|
Генерал-полковник
Группа: Проверенные
Сообщений: 433
Статус: Не в сети
| Старик, Ну что там ? как опыты? Я не тороплю и не наседаю, просто интересно когда ты подключишь нагрузку, какой выход будет.
|
| |
|
|
| Старик | Дата: Среда, 05.03.2025, 11:53 | Сообщение # 320 |
|
Рядовой
Группа: Пользователи
Сообщений: 17
Статус: Не в сети
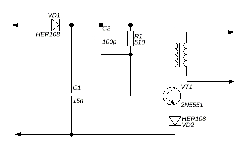
| Привет! Решил отказаться от блокинг-генератора. Нашел в сети хорошую схму формирователя. Доработал под наш сигнал.
 Пояснение к схеме. Диод VD2 для формирования крутого заднего фронта. С1 - можно поиграть в небольших пределах. От него зависит ОЭДС. R1 не очень критично, но тоже можно поиграть. Намотка катушек: по всей длине в 2 слоя. Первый слой - выходная, второй слой - обмотка запуска. Она немного меньше выходной Разница по виткам 10-20%. Не критично. Такая намотка занимает мало места и позволяет максимально сдвинуть катушки. В процессе работы показалось, что система впадает в самовозбуждение. Может быть поазалось, но при работе проверь! Успехов.
|
| |
|
|
| Toros | Дата: Четверг, 06.03.2025, 23:30 | Сообщение # 321 |
|
Генерал-полковник
Группа: Проверенные
Сообщений: 433
Статус: Не в сети
| а можно и вот так, когда то делал такую:

Хорошо работала.
|
| |
|
|
| Старик | Дата: Пятница, 07.03.2025, 09:19 | Сообщение # 322 |
|
Рядовой
Группа: Пользователи
Сообщений: 17
Статус: Не в сети
| Поясни как работает.
|
| |
|
|
| Старик | Дата: Пятница, 07.03.2025, 18:07 | Сообщение # 323 |
|
Рядовой
Группа: Пользователи
Сообщений: 17
Статус: Не в сети
| Разобрался! Здесь ОЭДС запускает следующий каскад. Только питание каскадов от источника питания. Это трата энергии. Лучше экономить и использовать ОЭДС и для запуска и для питания следующего каскада. Именно это и было в случае блокинг генераторов. Но они капризны и плохо настраиваются. Новая схема удачнее. Она менее критична в настройке. Работает при большом разбросе числа витков катушек и выдает импульс с крутыми фронтами. Попробуй. Может понравится.
|
| |
|
|
| Toros | Дата: Воскресенье, 09.03.2025, 20:26 | Сообщение # 324 |
|
Генерал-полковник
Группа: Проверенные
Сообщений: 433
Статус: Не в сети
| 
как в этой схеме подключать нагрузку??? Повторюсь ещё раз какой общий конструктив трансгенератора??? Нарисуй на листочке и сфоткай, что бы видно было как. Нагрузка будет влиять на эти керны??? или нет?? Эта схемка работает нормально, проверил , но без ответов на поставленные вопросы дальнейшие опыты не имеют никакого смысла. вот я собрал их 4 штуки, да работают, передают энергию, с потерями, но передают. последовательно друг другу... а куда прилепить нагрузку???
|
| |
|
|
| Старик | Дата: Вторник, 11.03.2025, 11:27 | Сообщение # 325 |
|
Рядовой
Группа: Пользователи
Сообщений: 17
Статус: Не в сети
| Набросал схему сборки.
 Выход подключается к центральной катушке. Центральная катушка составлена из нескольких стержней и на них намотана катушка выхода. Помнишь, что соседние катушки должны иметь намотку в разные стороны (правая намотка, рядом катушка левая намотка).
 Нагрузка будет влиять на работу всей системы, но незначительно. Как распределить генераторные катушки по кругу надо проверять. Можно их вплотную друг к другу или с зазором.
|
| |
|
|
| Toros | Дата: Воскресенье, 16.03.2025, 23:40 | Сообщение # 326 |
|
Генерал-полковник
Группа: Проверенные
Сообщений: 433
Статус: Не в сети
|  ранее я так уже делал, к сожалению на нагруженной вторичке ничего не выделялось. потому и интересуюсь что ты там придумал.
Цитата Старик (  ) Только питание каскадов от источника питания. Это трата энергии. да эта трата, она компенсировала потери при переходе от керна к керну.
По сути это же не имеет значения? За счёт чего на вторичке наводится электричество?
|
| |
|
|
| Старик | Дата: Понедельник, 17.03.2025, 18:23 | Сообщение # 327 |
|
Рядовой
Группа: Пользователи
Сообщений: 17
Статус: Не в сети
| Нагрузка снимается с центральной катушки. Попробуй на холостом ходу. Там должны быть импульсы по числу катушек. Если их нет или они не выражены проверь подключение катушек. Входная обмотка верхним выводом подключается к +. Нижний вывод ктаушки подключен к коллектору транзистора. Это для всех катушек. Кроме того катушки в сборе должны стоять верхними выводами обмоток одинаково. Для устранения "дребезга" можно подключить на выход переменный резистор примерно 500 или больше ом. Регулировать (уменьшать сопротивление) до пропадания. Импульсы на центральном керне должны быть разной полярности, поскольку катушки имеют намотку в разные стороны.
|
| |
|
|
| Toros | Дата: Среда, 19.03.2025, 18:25 | Сообщение # 328 |
|
Генерал-полковник
Группа: Проверенные
Сообщений: 433
Статус: Не в сети
| в том то всё и дело, что когда подгружаю центральный керн сопротивлением импульсы от одной внешней катушки "разбегаются" по другим внешним, а в нагруженный центр не лезут. А если без нагрузки то да, видна работа внешних катушек.
Цитата Старик (  ) катушки имеют намотку в разные стороны. получается что 3 внешних катушки не подходит, минимум 4.
|
| |
|
|
| Старик | Дата: Четверг, 20.03.2025, 09:28 | Сообщение # 329 |
|
Рядовой
Группа: Пользователи
Сообщений: 17
Статус: Не в сети
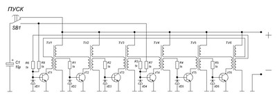
| Попробуй сделать короткозамкнутый виток вокруг всей системы. Можно сделать 2 витка и замкнуть. Это будет направлять все МП внутрь. Снимал с центрального керна напрямую. Если снимать через выпрямитель (диодный мост), то получается лучше. Сейчас готовлю катушки для сборки полноразмерного макета. Раячитываю на 6 катушек, плюс центральная. Надеюсь успеть до наступления летнего "дачного" сезона.
|
| |
|
|
| Klaus | Дата: Пятница, 30.05.2025, 20:43 | Сообщение # 330 |
|
Сержант
Группа: Проверенные
Сообщений: 43
Статус: Не в сети
| Вот это ну очень похоже на Ильдуса https://realstrannik.com/forum....0#91496
|
| |
|
|