 |
     |
Мой сайт |
| Понедельник, 19.01.2026, 06:45 |
|
|
|
|
Хаббард
| |
| TIP | Дата: Вторник, 21.01.2014, 10:26 | Сообщение # 421 |
|
Майор
Группа: Администраторы
Сообщений: 307
Статус: Не в сети
| Ребята, не стоит наезжать друг на друга. Понимаю, нервы у всех на пределе, столько лет поисков и все в холостую. Мое предложение..... если есть версия работы Хаббарда, хоть механического хоть электронного, опишите на доходчивом языке, обсудим. Все мы тут мал мальски знакомы с электротехникой, у кого то просто больше практики. Как пример.... Ильдус дал схему, и то неизвестно рабочая ли? Но он не пояснил подробно принцип ее работы. Результат известен. Тоже самое и по ДКВ, на что я убил два года.
|
| |
|
|
| s_chechel | Дата: Вторник, 21.01.2014, 10:40 | Сообщение # 422 |
|
Генерал-майор
Группа: Модераторы
Сообщений: 248
Статус: Не в сети
| Ильдус, упоминал о частоте 2,8ГГц, диаметре сердечника 3 см. длине витка ~10 см, что соответствует длине волны при частоте 2,8 ГГц. Я уже в какой то теме ссылался на подкову Теслы, где свечение лампочки нужно искать по положению контактов на проводе. Ильдус доматывал и отматывал катушки зажигания, пока получал нужный эффект. Может стоит порыться в этом направлении? Мы его все дружно игнорируем, опираясь на знакомые нам законы физики, а ведь в поиске СЕ мелочей не бывает. Я в этом давно убедился.
|
| |
|
|
| vacuum_warrior | Дата: Вторник, 21.01.2014, 11:34 | Сообщение # 423 |
|
Полковник
Группа: Модераторы
Сообщений: 188
Статус: Не в сети
| Да.Если говорить о частоте в гигагерцы,то нужно принять теорию о работе феррорезонанса и ИОХ.
|
| |
|
|
| s_chechel | Дата: Вторник, 21.01.2014, 11:41 | Сообщение # 424 |
|
Генерал-майор
Группа: Модераторы
Сообщений: 248
Статус: Не в сети
| Цитата vacuum_warrior (  ) Если говорить о частоте в гигагерцы,то нужно принять теорию о работе феррорезонанса и ИОХ. Если это было мне, то о 2,8ГГц упоминал и Хаббард, а у него было только железо. У Ильдуса этот импульс только кондер заряжал, а кондер на частоте ниже добавлял уже токовую составляющую в генератор. В механическом варианте КЗ затягивало импульс, создавая условия для образования тока.
|
| |
|
|
| vacuum_warrior | Дата: Вторник, 21.01.2014, 11:53 | Сообщение # 425 |
|
Полковник
Группа: Модераторы
Сообщений: 188
Статус: Не в сети
| Вчера подобрал полезный инструмент ( часть МУ) - при таком включении обмотки взаимно не влияют друг на друга, L2+L3 лишь локально изменяют насыщенность сердечника.Ток через L2,L3 (встречная намотка) наводит встречные мп,а ток через L1 наводит встречные ЭДС в этих обмотках... С успехом можно применять и для ИОХ, и для использования тока резонансного КК... Можно использовать в связке обычный резонанс в КК для накачки параметрического КК без подвода внешней ЭДС (Папалекси).В этом случае инструментом изменения параметра будет ток обычного рез. КК,TIP видел опыты fantoma - при потреблении 30ВА реактивная мощность 6кВАР(30А).А в параметрическом КК хорошо то,что необходим нелинейный элемент для стабилизации колебаний (читай - нужно снимать лишнюю энергию).Можно попробовать наложить эту схему на конструктив Hub_coil...
Сообщение отредактировал vacuum_warrior - Вторник, 21.01.2014, 13:05 |
| |
|
|
| NATAN | Дата: Вторник, 21.01.2014, 12:13 | Сообщение # 426 |
|
Генерал-лейтенант
Группа: Проверенные
Сообщений: 316
Статус: Не в сети
| Цитата Toros (  ) Например у Ильдуса работала в каждый момент времени только одна катушка.Если нужно могу и цитату приложить писанную рукой Ильдуса. А как там на самом деле было - кто ж его знает. Я например одно время думал что работать все переферийные керны должны одновременно...
Toros, можно попросить Вас выложить сюда эту цитату и сказать к какому мех. или эл. варианту относятся его слова. А по поводу понимания Ильдуса могу сказать одно, он ни разу не обманул меня когда мы плотно общались по тестатике. Просто все его подсказки и конкретные описания как бы вырваны из контекста описания устройства и интерпретировать их однозначно не зная остальных процессов происходящих в устройстве не стоит. Это самый трудноразгадываемый способ преподнесения информации. Он как бы и не обманывает и в то же время сидишь как дурак и не знаешь куда это применить.
Toros, у меня к Вам еще одна просьба, помочь мне теоретически разобраться в процессах на картинке. На первой картинке: 3 абсолютно одинаковые катушки включены параллельно, подключаем их к источнику ЭДС на какое-то минимальное время, пусть даже до тay. Стрелками показал направление магнитного потока "заряда". Затем, отключаем источник ЭДС и одновременно закорачиваем треть витков на катушке L3. Переходим на второю картинку. Стрелками показал направление магнитного потока "разряда". До закорачивания, во время "заряда", эта треть витков была соединена с остальной частью обмотки последовательно, что бы катушка L3 ничем не отличалась от остальных, а во время закорачивания она отключается от остальной части обмотки. Получается на L3 две самостоятельные обмотки. Я знаю, что кз-витки будут тормозить размагничивание катушки L3 поддерживая на концах незакороченой обмотки разницу потенциалов, по сути растягивая выброс оэдс во времени. Это все понятно, но к медленно разряжающейся обмотке L3 параллельно подключены L1 и L2 и вот здесь у меня ступор. Я никак не соображу, что будет с токами и напряжениями в этой связке. Какая оэдс будет сильнее, медленно разряжающейся катушки или у пары незаторможенных катушек? Кто кого передавит и как? Заранее спасибо!
Сообщение отредактировал NATAN - Вторник, 21.01.2014, 16:52 |
| |
|
|
| vacuum_warrior | Дата: Вторник, 21.01.2014, 12:22 | Сообщение # 427 |
|
Полковник
Группа: Модераторы
Сообщений: 188
Статус: Не в сети
| Резонанс КК стабилизируется благодаря уменьшению коэфф. связи с контуром накачки и тому факту,что непосредственно используется магнитное поле резонансного тока,а не наведенная этим полем ЭДС. Экспериментальные факты: 1.Реактивная мощность в КК порядка 10кВАР индуцируется импульсами накачки средней мощностью 30-100Вт от источника постоянного напряжения (30В/1-3А) 2.Исполнение КК с использованием диодов VD1 и VD2 позволяет увеличить добротность ~ в 2 раза Это схема,использующая внешний подвод ЭДС,можно убрать цепи на VT2,VT3, добавив параметрические КК на выходные тр-ры... Отсюда вопрос к знатокам - возможно ли конструктивное совмещение на одном сердечнике элементов параметрического КК - катушки,параметр которой мы модулируем, и съемной силовой обмотки ?
Сообщение отредактировал vacuum_warrior - Вторник, 21.01.2014, 12:37 |
| |
|
|
| vacuum_warrior | Дата: Вторник, 21.01.2014, 12:54 | Сообщение # 428 |
|
Полковник
Группа: Модераторы
Сообщений: 188
Статус: Не в сети
| Может пригодиться... Еще такой момент...Допустим,мы получаем 22кВА мощности на центральной обмотке.И это при 11кВ А нагрузка у нас - низковольтная,скажем,у Хаббарда - движок на 127В.Это,естественно,требует понижающего транса,а это - 200А/20кВА на вторичке.Получается еще одна конструкция,сравнимая с габаритами генератора.Как вам такое?
Сообщение отредактировал vacuum_warrior - Вторник, 21.01.2014, 14:07 |
| |
|
|
| vacuum_warrior | Дата: Вторник, 21.01.2014, 20:02 | Сообщение # 429 |
|
Полковник
Группа: Модераторы
Сообщений: 188
Статус: Не в сети
| Перенесите в новую тему...Инет нам в помощь(сотни эффектов и миллионы патентов)... Извините,но это называется " распылять силы"...Разумнее,по-моему,создать какой-то критерий отбора... Хотя бы темы создайте:Механика,гидравлика,настольные коллайдеры и т.д.... TIP,создай лучше темку "Параметрические генераторы и резонанс"...
Сообщение отредактировал vacuum_warrior - Вторник, 21.01.2014, 21:14 |
| |
|
|
| Vladimir | Дата: Среда, 22.01.2014, 00:44 | Сообщение # 430 |
|
Генерал-майор
Группа: Проверенные
Сообщений: 102
Статус: Не в сети
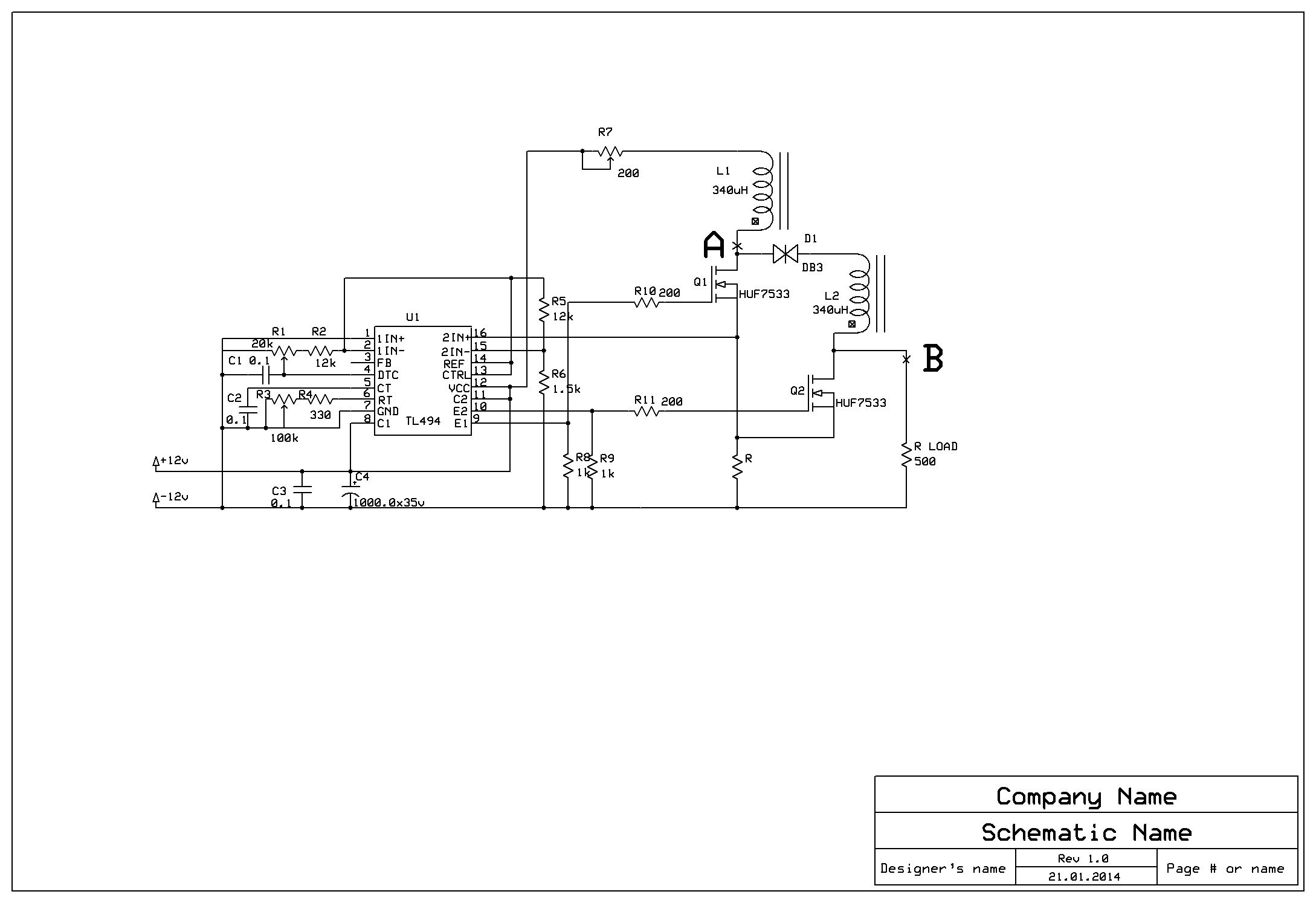
| Предлагаю проделать опыт по наличию увеличения ОЭ при передаче с каскада на каскад. Если кому интересно и может собрать нижеприведённую схему, можно удостовериться во всём том о чём я пытался донести ранее в своих постах. Проверять надо на реальной схеме а не на симуляторе. Сам не имею возможности. Частота 20 кГц скважность -2.
|
| |
|
|
| Toros | Дата: Среда, 22.01.2014, 00:52 | Сообщение # 431 |
|
Генерал-полковник
Группа: Проверенные
Сообщений: 433
Статус: Не в сети
| "Vladimir у Ильдуса 200 кгц - неизвестна проницаемость самодельных порошковых сердечников"
Это не правильно. У Ильдуса "наклонная" - 5 мкс. что в переводе на частоту = 200 кГц. А реальная резонансная частота у керна - 50 кГц. Почему? вот Ильдус мне писал: "Добрый вечер! Чуточку ошибка - при 5мкс надо настраиваться на период в 20 мкс следовательно частота на которую надо настроить последовательный контур - 50 Кгц. Исходя из этого и емкость. Однако для лучшего результата емкость советую увеличить в 2 раза..... Увеличение положительно скажется на мощности удара напряжением по последующей катушке. Можно увеличивать и дальше в четное число раз однако не стоит увлекаться. С уважением! " Проницаемость по его оценке около 600. И керны не самодельные: "Все керны одинаковы. Магнитов нет. Хотя когда спекали в Питере делали это на заводе делающим магниты. Сам сердечник слегка магнитил. (тогда еще хотел отказаться но подумав решил что это не существенно). Сейчас в эксплуатации он сам намагнитился но не очень."
NATAN, Ильдус: "Добрыйвечер! В электронной версии энергия ЭДС через диод подается на кондер который стоит паралельно обмотке. Заряд происходит в течении времени "+" выброса. + выход кондера подается через тиристор на следующую катушку. Этот кондер выполняет роль вольтодобавки. Тиристор открывается в момент открывания полевика второй катушки. Топология- импульс управления на первый полевик(длительность зависит от добротности катушки)-задержка(равная длительности)- импульс на второй полевик и т.д. Вот и все. С каждым шагом напряжение подаваемое на катушки растет(Uисточника + U от кондера). В каждый момент времени работает одна катушка. Если нужно опишу подробно но думаю Вам этого хватит. "
По катушкам так сразу и не соображу. Единственное что могу сказать так это то, что поля нарисованные синей стрелкой, даже при КЗ витке - будут в ту же сторону направленны что у кернов что у КЗ обмотки. Причем на всех обмотках ток будет падать а в КЗ нарастать! Я делал на одном керне электронный аналог магнето..получилось...картинки как по учебнику...(без механики).
С Уважением.
Сообщение отредактировал Toros - Среда, 22.01.2014, 01:18 |
| |
|
|
| vacuum_warrior | Дата: Среда, 22.01.2014, 01:08 | Сообщение # 432 |
|
Полковник
Группа: Модераторы
Сообщений: 188
Статус: Не в сети
| Toros,катушки связаны с центральным сердечником? Они насыщаются последовательно-больше за счет большей скорости намагничивания?И сколько это продолжается?Т.е. когда и почему начинается ограничение?
Сообщение отредактировал vacuum_warrior - Среда, 22.01.2014, 01:10 |
| |
|
|
| Toros | Дата: Среда, 22.01.2014, 01:20 | Сообщение # 433 |
|
Генерал-полковник
Группа: Проверенные
Сообщений: 433
Статус: Не в сети
| Цитата vacuum_warrior (  ) катушки связаны с центральным сердечником? У Ильдуса - да. Без зазоров. Между собой - нет.
С Уважением.
|
| |
|
|
| vacuum_warrior | Дата: Среда, 22.01.2014, 03:11 | Сообщение # 434 |
|
Полковник
Группа: Модераторы
Сообщений: 188
Статус: Не в сети
| Аааааа,если Вы правы,то понятно,откуда пошло есть сие чудо техники...Пошел шерстить свой архив и делать экспы...Блин,150 лет впустую... Пока предположу,что важна именно парность внешних катушек...А ослик - только если кому очень интересно - хватит авометра...По энергетике:потребление 10кВА девайса ~ 500ВА...Совет:не зацикливайтесь на 8-ми катухах,работайте с 2-мя - быстрее будет резалт...
Сообщение отредактировал vacuum_warrior - Среда, 22.01.2014, 03:41 |
| |
|
|
| s_chechel | Дата: Среда, 22.01.2014, 05:07 | Сообщение # 435 |
|
Генерал-майор
Группа: Модераторы
Сообщений: 248
Статус: Не в сети
| Цитата vacuum_warrior (  ) Аааааа,если Вы правы,то понятно,откуда пошло есть сие чудо техники... У valeralap внешние работали попарно, и свой первый эффект он действительно получил всего на двух внешних кернах. Но о принципе тоже ни слова. Единственное о чем он говорил - об ударных колебаниях.
|
| |
|
|
|
|
|